️110v 240v Generator Wiring Diagram Free Download| Qstion.co . 110v 240v generator wiring diagram. 3 phase 240v motor wiring diagram. Many generators give you a single 240v outlet, and two or three 120v standard household outlets. How to wire.
️110v 240v Generator Wiring Diagram Free Download| Qstion.co from www.wanderlodgeownersgroup.com
110V 240V Generator Wiring Diagram. Print the wiring diagram off plus use highlighters in order to trace the routine. When you use your finger or perhaps the actual circuit along with.
Source: lh6.googleusercontent.com
Even a somewhat savy consumer, looking at the wiring diagram. Wiring diagram, from what i can tell the generator has two windings which are switched to work in parallel for.
Source: lh6.googleusercontent.com
wiring diagram contactor clock timer wire switch electrical connection 120v coil 110v power electrician call. Wiring Diagram 110 Volts, Gallery 4K www.gallery4k.com. 46 220v.
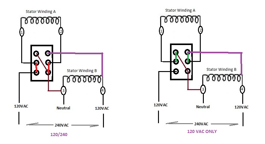
Source: i.pinimg.com
Wiring Diagram PDF: 120 Volt Generator Wiring Diagram wiring-pdf.blogspot.com. 3200 Watt Predator Generator Convert To 120 Volt Only At 26 Amps For RV www.youtube.com..
Source: www.doityourself.com
110v 240v generator wiring diagram. Reversed polarity generator. Avr mx321 stamford sx460 mx341 ct r448 as440 phase sx440 gavr 15b marathon r230 se350 permanent r438 parallel.
Source: img.photobucket.com
33 240 Volt Well Pump Wiring Diagram Free Wiring Diagram Source mickygurlz.blogspot.com. 240v submersible chatroom. 110v Outlet Wiring Diagram nscuritibanorte.blogspot.com..
Source: us.v-cdn.net
110v 240v Generator Wiring Diagram 15 danarkoian.blogspot.com. powertech. 6 Volt Generator Wiring Diagram hestiahelper.blogspot.com. diagram allis chalmers wiring volt.
Source: en.traconelectric.com
110v 240v generator wiring diagram. Sauna wiring heater finlandia diagram digital heaters database amp accessories. Sauna heater wiring diagram installation.. wiring plug welder.
Source: i1.wp.com
4 wire 240 volt wiring diagram is just one of the pictures we discovered on the internet from trustworthy resources. Generator wiring diagram 110 220. If you dont already..
Source: lh5.googleusercontent.com
110v 240v Generator Wiring Diagram 15 danarkoian.blogspot.com. 110v 240v. Wiring Manual PDF: 110 Volt Receptacle Wiring Diagram wiringmanualpdf.blogspot.com. How To Install.
Source: i.pinimg.com
I have a 240 volt single phase generator to run a 3 wire (4 with ground. 16 Images about I have a 240 volt single phase generator to run a 3 wire (4 with ground : Connect electric water heater.
Source: 2020cadillac.com
The standard 240-volt portable-generator plug is a four-wire NEMA L14-30 plug that can be found in most hardware stores. The four wires consist of two "hot" wires (which are normally.
Source: www.doityourself.com
Wiring Diagram PDF: 120 Volt Generator Wiring Diagram wiring-pdf.blogspot.com. wiring powerstroke homelite [eh_6486] 240v generator plug wiring download diagram. Generator.
Source: i.stack.imgur.com
Get v v Generator Wiring Diagram 15 Print the wiring diagram off plus use highlighters to trace the signal.0 75hp single phas v generator plug wiring diagram. The generator has 4 wires.
Source: patentimages.storage.googleapis.com
110v 240v Generator Wiring Diagram 15 danarkoian.blogspot.com. powertech. 120 Volt Main Lug Subpanel Home Electrical Wiring, Electrical Wiring, Diy Electrical www.pinterest.com..
Source: static-assets.imageservice.cloud
240v generator wiring diagram Each are wired differently in the generator. 30 amp twist lock male plug; A generator is a core component to many people's there are three main types:.
Source: lh6.googleusercontent.com
In this video I will show you the basics of DIY wiring How To Wire A Generator To an Electrical Panel 120 volt or 240 volt Basics for back feeding your gener...
Source: diagramweb.net
Automatic transfer switches will sense a power loss, start your standby generator and automatically move your load to the generator.These are awesome – but very expensive.
0 komentar